Все, что нужно знать о Пегасах для беспенного розлива пива
Для чего нужен Пегас
Устройство «Пегас» используется для ускоренного беспенного разлива любых пенящихся напитков (а не только пива) из сосудов под давлением в пластиковые бутылки ПЭТ с горлышком стандарта РСО или BPF.
Розлив осуществляется методом противодавления, то есть пустая бутылка заполняется газом под давлением, которое равно давлению в сосуде с напитком.
В этом случае пена не образуется, так как для того, чтобы она образовалась, пузырьки газа должны выйти на поверхность, а в данном случае они не могут выйти – давление им не позволяет.
Данный способ обеспечивает розлив без образования пены с сохранением качества напитка при долгом хранении в герметично закупоренных бутылках. При розливе рекомендуется использовать чистые бутылки.
Но скорость разлива – это не единственное преимущество ПЕноГАСителей. Второе немаловажное преимущество состоит в том, что вы можете значительно сэкономить на потерях живого пива благодаря тому, что не происходит утечка пены.
На следующем видео можно посмотреть, как происходит розлив пива благодаря Пегасам.
Эта статья посвящена стандартной модели Пегас. О других моделях, а именно: Пегас Новотап (Pegas Novotap) и Пегас Новотап+ (Pegas Novotap+) написано в других статьях. Различие во внешнем виде всех 3-х моделей можно посмотреть здесь.
Розлив осуществляется методом противодавления, то есть пустая бутылка заполняется газом под давлением, которое равно давлению в сосуде с напитком.
В этом случае пена не образуется, так как для того, чтобы она образовалась, пузырьки газа должны выйти на поверхность, а в данном случае они не могут выйти – давление им не позволяет.
Данный способ обеспечивает розлив без образования пены с сохранением качества напитка при долгом хранении в герметично закупоренных бутылках. При розливе рекомендуется использовать чистые бутылки.
Но скорость разлива – это не единственное преимущество ПЕноГАСителей. Второе немаловажное преимущество состоит в том, что вы можете значительно сэкономить на потерях живого пива благодаря тому, что не происходит утечка пены.
На следующем видео можно посмотреть, как происходит розлив пива благодаря Пегасам.
Эта статья посвящена стандартной модели Пегас. О других моделях, а именно: Пегас Новотап (Pegas Novotap) и Пегас Новотап+ (Pegas Novotap+) написано в других статьях. Различие во внешнем виде всех 3-х моделей можно посмотреть здесь.
Технические характеристики
Производительность – 45-120 литров в час.
Давление С02, подводимого к кеге – 0,15-0,25 МПа
Расход С02 (для создания противодавления) – 0,2-0,8 Кг/час
Масса устройства – 1,2 кг нетто/1,3 кг брутто
Давление С02, подводимого к кеге – 0,15-0,25 МПа
Расход С02 (для создания противодавления) – 0,2-0,8 Кг/час
Масса устройства – 1,2 кг нетто/1,3 кг брутто
Комплектация (что входит в комплект поставки устройства Пегас стандартный)
Устройство Пегас – 1 шт.
Ниппель дренажа – 1 шт.
Штуцер подвода пива – 1 шт.
Заглушка – 1 шт.
Гайка 5/8" – 1шт.
Тройник – 1 шт.
Шайба плоская – 1шт.
Ниппель подвода пива – 1 шт.
Гайка накидная 5/8" – 1 шт.
Прокладка ниппеля подвода пива – 1шт.
Руководство по эксплуатации – 1 шт.
Ниппель дренажа – 1 шт.
Штуцер подвода пива – 1 шт.
Заглушка – 1 шт.
Гайка 5/8" – 1шт.
Тройник – 1 шт.
Шайба плоская – 1шт.
Ниппель подвода пива – 1 шт.
Гайка накидная 5/8" – 1 шт.
Прокладка ниппеля подвода пива – 1шт.
Руководство по эксплуатации – 1 шт.
Запасные части:
Прокладка уплотнения бутылки – 1 шт.
Кольцо иглы дросселя 004-007-1,9 (диаметр 7 мм) – 1шт.
Кольцо дросселя 008-011-1,9 (диаметр 11 мм) – 1 шт.
Ролик – 2шт.
Кольцо иглы дросселя 004-007-1,9 (диаметр 7 мм) – 1шт.
Кольцо дросселя 008-011-1,9 (диаметр 11 мм) – 1 шт.
Ролик – 2шт.
Из чего состоит устройство Пегас:
Корпус (1)
Переключатель потоков с рукояткой (2)
Зажим бутылки с рукояткой (3)
Штуцер подвода пива (4)
Ниппель подвода газа (5)
Кран сброса давления (6)
Ниппель дренажа (7)
Заглушка (8)
Как собрать устройство Пегас (инструкция по сборке)
Для этого совершите следующие действия:
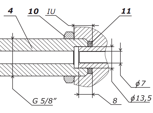
1) Вверните штуцер подвода пива (4) стороной с короткой резьбой в резьбовое отверстие корпуса G 5/8". Используйте для этого гаечный ключ размером 19 мм.
1) Вверните штуцер подвода пива (4) стороной с короткой резьбой в резьбовое отверстие корпуса G 5/8". Используйте для этого гаечный ключ размером 19 мм.
2) Если розлив пива производится в ПЭТ бутылки, вверните заглушку (8) в резьбовое отверстие корпуса G 5/8", которое расположено напротив отверстия с вкрученным штуцером подвода пива. Используйте для этого шестигранный ключ диаметром 10 мм.
3) Если розлив пива производится в бокалы или кружки, то заглушку (8) необходимо ввернуть в пивной кран, который не входит в комплект поставки.
4) Далее следует ввернуть нипель дренажа (7) в резьбовое отверстие корпуса 1/4" при помощи гаечного ключа размером 12 мм.
Устройство готово к установке
Устройство готово к установке
Как установить Пегас (установка устройства)
Устройство может устанавливаться над столом на колонну либо барную стойку в вертикальном положении (зажим бутылки происходит внизу). Ось штуцера подвода пива должна находиться на высоте 450 мм от поверхности стола. Рекомендуемое расстояние между осями отверстий при установке двух устройств Пегас - 150 мм. Предусмотрите каплесборник на столе для сбора капель.
Установка устройства в сквозное отверстие диаметром 23 мм
(1-й вариант)
Шайба плоская (9)
Гайка G 5/8 " (10)
Прокладка (11)
Ниппель подвода пива (12)
Гайка накидная G 5/8" (13)
Шланг подвода пива диаметром 9 мм (14)
Шланг подвода газа диаметром 7 мм (15)
Шланг дренажа диаметром 7 мм (16)
Установка:
Вставьте штуцер (4) в посадочное отверстие колонны или стены (если установка производится в стену) фото 04
Наденьте плоскую шайбу (9) с внутренней стороны колонны или стены на штуцер (4)
Наденьте плоскую шайбу (9) с внутренней стороны колонны или стены на штуцер (4)
Зафиксируйте изделие гаечным ключом размером 27 мм при помощи гайки (10). В результате устройство должно быть расположено вертикально
Наденьте прокладку (11) на присоединительный конец нипеля (12)
Наденьте накидную гайку (13) на нипель (12) и, присоединив его к штуцеру (4), закрутите накидную гайку, используя гаечный ключ на 24 мм
Установка устройства в глухое отверстие G 5/8"
2-й вариант
Штуцер подвода пива (4)
Гайка G 5/8" (10)
Прокладка (11)
Установка:
В этом случае конфигурация и размеры отверстия показаны на рисунке слева, установка производится таким образом:
Наверните гайку (10) на штуцер (4);
Наверните гайку (10) на штуцер (4);
Установите прокладку (11) в отверстие указанной конфигурации;
Вверните штуцер (4) в отверстие таким образом, чтобы устройство было расположено вертикально, а прокладка (11) была поджата и обеспечивала герметичность соединения;
Гаечным ключом размером 27 мм, затяните гайку (10), предотвратив самоотвинчивание.
Подключение устройства Пегас
Для подключения устройства необходимы:
Сосуд с пивом (см. кеги), оснащенный заборной головкой (см. статью о заборных головках)
Баллон с газом, оснащенный регулятором давления (0,15 - 0,25 МПа)
Охладитель пива (см. статьи о пивных охладителях).
см. также схему подключения пивного охладителя
Подвод пива и углекислого газа осуществляется при помощи шланга ПВХ с внутренним диаметром 7-9 мм, шланги закрепить на ниппелях и тройнике при помощи хомутов или соединителями John Guest (DM Fit). Смотрите статью о соединителях.
Убедитесь, что устройство собрано и установлено.
Сосуд с пивом (17)
Сосуд с пивом (см. кеги), оснащенный заборной головкой (см. статью о заборных головках)
Баллон с газом, оснащенный регулятором давления (0,15 - 0,25 МПа)
Охладитель пива (см. статьи о пивных охладителях).
см. также схему подключения пивного охладителя
Подвод пива и углекислого газа осуществляется при помощи шланга ПВХ с внутренним диаметром 7-9 мм, шланги закрепить на ниппелях и тройнике при помощи хомутов или соединителями John Guest (DM Fit). Смотрите статью о соединителях.
Убедитесь, что устройство собрано и установлено.
Сосуд с пивом (17)
Баллон с газом, оснащенный регулятором давления (18)
0хладитель (19)
Тройник (20)
3аборная головка (21)
Колонна (22)
Столешница (23)
Каплесборник (24)
Устройство ПЕГАС со штуцером подвода пива (25)
Устройство подключается следующим образом (см. рисунок слева):
Расположите шланги (14), (15), (16) внутри колонны, как показано на рисунке слева;
Подключите шланги, подводящие пиво (14), к нипелю (12) с одной стороны и к охладителю (19) с другой;
Подключите шланг, подводящий газ (15), к ниппелю подвода газа (5) с одной стороны и к тройнику (20) с другой;
Подведите пиво от заборной головки (21) к охладителю (19);
Подведите газ под давлением 0,15 - 0,25 МПа от баллона СО2 (18) через тройник (20) к заборной головке (21) и ниппелю подвода газа (5);
Дренажный шланг (16) подсоедините к ниппелю дренажа (7), свободный конец поместите в дренажную ёмкость.
см. также как разливать через Пегасы
Цены на Пегасы
Как монтировать Пегас Новотап в стену
Уход за Пегасами (обслуживание)
Пегасы - устранение неисправностей
пеногасители Кит
Устройство подключается следующим образом (см. рисунок слева):
Расположите шланги (14), (15), (16) внутри колонны, как показано на рисунке слева;
Подключите шланги, подводящие пиво (14), к нипелю (12) с одной стороны и к охладителю (19) с другой;
Подключите шланг, подводящий газ (15), к ниппелю подвода газа (5) с одной стороны и к тройнику (20) с другой;
Подведите пиво от заборной головки (21) к охладителю (19);
Подведите газ под давлением 0,15 - 0,25 МПа от баллона СО2 (18) через тройник (20) к заборной головке (21) и ниппелю подвода газа (5);
Дренажный шланг (16) подсоедините к ниппелю дренажа (7), свободный конец поместите в дренажную ёмкость.
см. также как разливать через Пегасы
Цены на Пегасы
Как монтировать Пегас Новотап в стену
Уход за Пегасами (обслуживание)
Пегасы - устранение неисправностей
пеногасители Кит
Подписаться на:
Комментарии к сообщению
(
Atom
)
Поиск
Контакты
+380 44 362 7 108
+380 67 009 8 009
+380 50 332 8 998
+380 99 332 8 338
Демонстрация:
Пн—Пт с 9:30 до 17:30
Киев, ул. Малоземельная 75г
Форма для связи
Категории
- Беспенный розлив ( 8 )
- Быстрый розлив в бокалы ( 1 )
- Видеонаблюдение ( 1 )
- Домашний розлив ( 8 )
- Кеги и фитинги и заборные головки ( 4 )
- Комплектующие для оборудования по розливу пива ( 8 )
- Минипивоварни для ресторана ( 1 )
- Монтаж оборудования ( 6 )
- Новости ( 3 )
- Омыватели бокалов ( 1 )
- Охладители ( 16 )
- Пивная точка ( 11 )
- Пивное оборудование б у ( 1 )
- Пивной ресторан ( 3 )
- Пивные башни ( 4 )
- Пивные колонны ( 11 )
- Пивные краны ( 1 )
- Производители ( 2 )
- Промывочное оборудование ( 6 )
- РАСПРОДАЖА ( 12 )
- Розлив вина ( 1 )
- Ролл-бары ( 3 )
- Самообслуживание ( 4 )
- Системы розлива ( 8 )
- Соединители John Guest ( 1 )
- Счетчики пива ( 8 )
- Технология пивоварения ( 10 )
- Учет и контороль розлива пива ( 3 )
- цены ( 6 )
- Tabletender ( 2 )
Популярные сообщения
-
Кликните по рисунку для увеличения. На схеме показаны следующие элементы: 1. Барная стойка с надстоечным пивным охладителем. 2. Пивные кеги ...
-
Цена – 6 899 грн Смотрите также установку для розлива кваса или пива из кег большей производительности . Этот комплект оборудования для ...
-
Если вы хотите организовать Октоберфест у себя дома… Что понадобится для розлива пива пикник-помпой: 1) Кег с пивом; 2) Емкость достат...
-
Для чего нужен Пегас Устройство «Пегас» используется для ускоренного беспенного разлива любых пенящихся напитков (а не только пива) из сосуд...
-
Для охлаждения пива и других напитков используют охладители 3 разных типов: водяные (проточные) , сухие и гликолевые. Гликолевые системы о...
-
Зачем нужен лёд на пивной колонне? Не для того, чтобы охлаждать пиво: для этого вполне достаточно и обычной системы доохлаждения. Пивные кол...
-
Другие названия - пивная колба , пивная башня , метродиспенсер . Теперь, кстати, можно их купить не только в Украине, но и в России (такж...
-
В этой статье опишем основные моменты, которые следует знать о пивных охладителях. Пивной охладитель (или же, как называют иногда в наро...
-
Все давно привыкли, что ежедневный слив пива и санитарная очистка пивных линий ведут к потерям товара. Вопрос в том, насколько велики потери...
-
Как разливали пиво без пеногасителя Пиво - пенящийся напиток. Скорость его налива в бокал ограничена из-за образования пены. Вам, возмож...
0 коммент. :
Отправить комментарий